Светодиодные ленты популярны среди автолюбителей, стремящихся добавить индивидуальности своему автомобилю. Правильное подключение ленты улучшает внешний вид и повышает безопасность, обеспечивая дополнительное освещение в темноте. В этой статье рассмотрим три основных способа подключения светодиодной ленты к автомобилю, что позволит вам выполнить эту задачу самостоятельно.
Классификация диодных лент
Светодиодные ленты обладают высокой степенью универсальности. Их можно формировать в любую конфигурацию, а также настраивать угол освещения и уровень яркости по своему усмотрению. Место установки подсветки зависит исключительно от вашей фантазии.
Более детальную информацию о том, как правильно выбирать светодиодные лампы для автомобилей, вы сможете найти в статье нашего эксперта.
Эти осветительные приборы можно установить даже в самых труднодоступных местах. Чаще всего ленты монтируются на приборной панели, потолке, передних сиденьях, а также многие водители используют их для подсветки днища автомобиля, багажника или номерных знаков.
Если вы планируете самостоятельно установить светодиодную ленту в своем автомобиле, стоит ознакомиться не только с тем, как правильно подключить ленту, но и с особенностями этого процесса, а также с последовательностью действий. Существует множество видов и классификаций этих современных аксессуаров, каждая из которых имеет свои уникальные характеристики и качества.
Подключение светодиодной ленты к автомобилю стало популярным способом улучшения внешнего вида и создания уникальной атмосферы внутри салона. Эксперты выделяют три основных метода, которые могут использовать даже новички. Первый способ — подключение через прикуриватель, что позволяет легко и быстро установить ленту без необходимости в сложных манипуляциях. Второй вариант — использование прямого подключения к аккумулятору, что обеспечивает стабильное питание и яркость, но требует базовых знаний о электрике. Третий способ — использование контроллера, который позволяет управлять цветом и режимами работы ленты, добавляя функциональности. Каждый из этих методов имеет свои плюсы и минусы, и выбор зависит от уровня подготовки и желаемого результата.
https://youtube.com/watch?v=YqTN-UFqCWo
По цвету свечения светодиодов
В первую очередь светодиодные ленты классифицируются по производимому цвету. Современная промышленность предлагает две категории приборов такого плана:
- монохромные – производящие один цвет;
- универсальные RGB – наделены возможностью менять цвет.
Первые достаточно просты в применении. Что касается вторых, то для их управления требуется в качестве дополнения приобрести пульт управления, контроллер и блок питания.
| Способ подключения | Преимущества | Недостатки |
|---|---|---|
| 1. К прикуривателю | Простота установки, не требует специальных навыков, легко демонтировать. | Занимает прикуриватель, может мешать, не всегда эстетично, ограничение по мощности. |
| 2. К плафону освещения салона | Автоматическое включение/выключение при открытии дверей, скрытая проводка, эстетично. | Требует базовых знаний электрики, может быть сложнее в установке, ограничение по мощности. |
| 3. К отдельной кнопке (через предохранитель) | Полный контроль над включением/выключением, возможность установки в любом месте, высокая надежность. | Требует прокладки проводки, установки кнопки и предохранителя, более сложная установка. |
Интересные факты
Вот несколько интересных фактов о подключении светодиодных лент к автомобилю:
-
Энергетическая эффективность: Светодиодные ленты потребляют значительно меньше энергии по сравнению с традиционными лампами. Это позволяет использовать их в автомобиле без риска разрядки аккумулятора, особенно если они подключены через выключатель или реле, что делает их идеальным выбором для создания дополнительной подсветки.
-
Разнообразие цветов и эффектов: Современные светодиодные ленты могут менять цвет и создавать различные световые эффекты, такие как плавное изменение цвета или мигание. Это позволяет владельцам автомобилей настраивать освещение в зависимости от настроения или стиля автомобиля, а также использовать их для создания уникального внешнего вида.
-
Простота установки: Подключение светодиодной ленты к автомобилю может быть выполнено без специальных навыков. Существуют готовые комплекты, которые включают все необходимые компоненты, такие как контроллеры и адаптеры. Кроме того, многие ленты имеют самоклеящуюся основу, что упрощает процесс установки и позволяет легко менять расположение освещения.
https://youtube.com/watch?v=zd7vhgaWtaY
По размерам светодиодов
В настоящее время существует несколько типов маркировки светодиодных лент. На них можно увидеть обозначение DIP, что указывает на наличие корпуса с двумя выводами, или SMD, который представляет собой корпус, монтируемый на поверхность. Второй вариант считается более современным и привлекательным. Эксперты рекомендуют использовать именно такие ленты для оформления автомобилей.
В эту категорию входят следующие типы лент:
- SMD3010 – чаще всего используется для лент с боковым свечением. Светодиоды имеют размеры 1х3 мм и мощность 0,08 Вт;
- SMD3528 – это наиболее распространенный тип светодиодных лент, предназначенных для создания эффектного горизонтального свечения. Размер диодов варьируется от 2,8 до 3,5 мм, а мощность составляет 0,08 Вт;
- SMD5050 – в этой категории находятся более крупные светодиоды размером 5х5 мм, которые обеспечивают высокую яркость и мощность в 0,24 Вт.
Каждый автолюбитель может выбрать наиболее подходящий вариант освещения, основываясь на своих предпочтениях и целях оформления автомобиля.
По плотности светодиодов
Данная характеристика определяет, какое количество диодов размещается на одном метре ленты. Современные производители предлагают следующие варианты и виды лент:
- тип 3028 – выпускается с 60, 120, 240 светодиодами. В крайнем варианте диоды расположены в два ряда;
- тип 5050 – можно купить с 30, 60, 120 светодиодами на один метр. В этом случае 120-ка характеризуется двухрядным расположением диодов.
При выборе уровня плотности устройства стоит понимать, что чем выше плотность расположения ламп, тем ярче будет светить лента, то есть тем лучше и эффективнее она будет освещать салон авто или его внешние стороны.
По классу защиты
Для оценки устойчивости светодиодных лент к воздействию внешней среды производители применяют международный стандарт IP, за которым следует цифра. Первая цифра указывает на уровень защиты устройства от механических повреждений и пыли, а вторая – от влаги.
Вот основные категории светодиодных лент в зависимости от уровня защиты.
- IP20 – лента с минимальной защитой диодов. Она предназначена исключительно для использования в салоне автомобиля, в местах, где отсутствуют влага и твердые частицы.
- IP65 – лента со средней степенью защиты. На такую ленту нанесен специальный слой эпоксидной смолы, что позволяет устанавливать ее как внутри салона, так и снаружи.
- IP68 – максимальный уровень защиты. В этом случае лента надежно защищена под слоем качественного бесцветного силикона. Такие ленты подходят для автомобилей, которые эксплуатируются в сложных погодных условиях.
Учитывая эти параметры, автолюбитель сможет выбрать светодиодную ленту в зависимости от условий, в которых будет использоваться транспортное средство.
Способы подключения светодиодной ленты в автомобиле
Существует несколько вариантов подключения осветительного устройства в автомобиле. Большой популярностью пользуется самый простой вариант – с применением резистора. Также используются методики, связанными с использованием линейного или импульсного стабилизатора.
Каждая методика отличается своими индивидуальными особенностями и последовательностью действий. Что касается инструментов и материалов, то их перечень во всех случаях схож.
Необходимые инструменты и материалы
Установка светодиодной ленты в автомобиле через прикуриватель — это достаточно простой процесс.
Для выполнения монтажа вам понадобятся следующие инструменты:
- влагозащитная RGB лента с четырьмя контактами или другой подходящий источник света;
- четыре специальные клеммы или надежные коннекторы;
- многожильный провод, желательно с цветами, соответствующими проводам на контроллере;
- контроллер на 12 В, подходящий для легкового автомобиля;
- специальный силиконовый герметик.
После того как все необходимые инструменты и устройства будут подготовлены, можно переходить к монтажным работам.
Также рекомендуем ознакомиться со статьей нашего эксперта, в которой описывается, что делать в случае, если прикуриватель в автомобиле не работает.
Кроме того, советуем внимательно прочитать статью нашего специалиста, где вы узнаете, как подключить видеорегистратор в автомобиле без использования прикуривателя.
Простое подключение
В процессе работы двигателя напряжение в машине варьируется в достаточно широком диапазоне. Чтобы избежать перегрузок в напряжении, специалисты советуют установить специальный резистор в разрыв одного из питающих осветительный прибор проводов.
Основным преимуществом подобного варианта включения является обеспечение долговечности светодиодов, что достигается за счет отсутствия перенапряжения светильников.
При значениях напряжения ниже максимального уровня автоматически снижается светоотдача. При перепадах показателей будет проявляться эффект «ярко-тускло».
Если уровень яркости свечения светодиодной ленты не является достаточно важным фактором, можно проводить именно такое подключение.
Подключение через линейный стабилизатор
Такой способ подключения поможет избавиться от проблемы самопроизвольного изменения яркости освещения во время движения. Это достигается благодаря использованию линейного стабилизатора, который в данной системе будет выполнять функцию специальной интегральной микросхемы. Наиболее часто для этих целей применяется стабилизатор на базе LM7812, который выполнен в корпусе типа ТО220 и способен выдерживать нагрузку до 1 А. Однако есть одно важное условие.
Чтобы обеспечить стабильную работу данной схемы, необходимо следить за тем, чтобы напряжение не превышало 14 В. Запас в два вольта необходим для поддержания оптимальной работы LM7812. Если это правило будет нарушено, может произойти сбой в стабилизации, и на выходе появится импульсный сигнал. Именно из-за этого недостатка интегральные стабилизаторы используются довольно редко.
В качестве альтернативы рекомендуется применять регулируемый стабилизатор LM317, который обладает более высокими техническими показателями. С помощью резистора можно настроить выходное напряжение на уровне UВЫХ=11 В. Это обеспечит стабильную работу при напряжении аккумулятора от 12,3 В.
Если установить пониженное напряжение, светодиодная лента будет функционировать в щадящем режиме, что не всегда является положительным моментом.
Подключение через импульсный стабилизатор
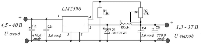
Подобный вариант самостоятельного подключения светодиодной ленты является самым оптимальным на данный момент. Импульсный стабилизатор можно сделать своими руками, используя набор Мастер Кит, или приобрести готовую заводскую плату, предварительно собранную на базе LM2596. Готовое решение обойдется по сумме от 300 до 700 рублей, все зависит от максимального уровня тока нагрузки.
В процессе выбора предпочтение стоит отдать плате, которая с тыльной стороны надежно фольгирована обычным алюминием, что в состоянии обеспечить оптимальный отвод тепла на радиатор.
Данный вариант монтажа стабилизатора характеризуется большим количеством преимуществ. Среди них можно отметить наличие встроенной тепловой защиты и ограждения от перегрузок. Обеспечивается высокий коэффициент полезного действия, а также полное отсутствие перегрева при напряжении до 0,5 А. Метод позволяет параллельно соединить несколько светодиодных лент одновременно, причем разного типа. Также обеспечивается высокая степень надежности.
Меры предосторожности при монтаже
При установке светодиодной ленты важно соблюдать определенные меры предосторожности. Вот несколько ключевых рекомендаций.
- Светодиодная лента крайне чувствительна к изгибам. Не следует допускать радиус изгиба менее 80 мм, так как это может привести к повреждению токопроводящего слоя на гибкой плате.
- Все монтажные работы необходимо выполнять только после отключения минусовой клеммы аккумулятора.
- После подключения важно тщательно проверять все соединения на предмет правильности их установки.
- Крепление светодиодного устройства рекомендуется осуществлять с помощью специальных пластиковых крепежных хомутов. Использование клеящегося слоя на ленте не гарантирует надежного монтажа.
- При подключении ленты следует применять стабилизатор напряжения. Это устройство обеспечит необходимый уровень напряжения в 12 В, независимо от состояния автомобиля — работает он или стоит в покое.
Соблюдая эти рекомендации при установке светодиодной ленты, вы сможете выполнить процесс быстро и безопасно.
https://youtube.com/watch?v=j-Eg7RXqX3Q
Заключение
В настоящее время качественные светодиодные подсветки являются неотъемлемой часть современного автомобильного тюнинга. Благодаря широкому разнообразию выбора и огромному количеству преимуществ и возможности выгодно преобразить автомобиль, приборы пользуются все большей популярностью. Если знать, как подбирается светодиодна лента, как правильно установить и подключить ее, можно получить в результате совершенно обновленный и уникальный автомобиль!
Выбор места установки светодиодной ленты
Перед тем как приступить к установке светодиодной ленты в автомобиле, важно правильно выбрать место её установки. Это не только влияет на внешний вид вашего автомобиля, но и на функциональность освещения. Рассмотрим несколько ключевых аспектов, которые помогут вам сделать правильный выбор.
1. Определите цель освещения. Прежде всего, необходимо понять, для чего вы хотите установить светодиодную ленту. Если вы хотите создать атмосферное освещение в салоне, то стоит рассмотреть установку ленты под панелью приборов, на дверях или под сиденьями. Если же ваша цель — улучшить видимость в темное время суток, то лучше установить ленту на внешние части автомобиля, такие как бампер или пороги.
2. Учитывайте безопасность. При выборе места установки важно помнить о безопасности. Убедитесь, что светодиодная лента не будет мешать водителю и не закроет важные элементы управления, такие как кнопки или рычаги. Также избегайте установки ленты в местах, где она может быть повреждена при открывании дверей или при загрузке вещей в багажник.
3. Оцените доступность питания. Убедитесь, что выбранное место установки позволяет удобно подключить ленту к источнику питания. Если вы планируете подключать ленту к прикуривателю или к системе освещения автомобиля, выбирайте места, которые находятся в непосредственной близости от этих источников. Это упростит процесс установки и минимизирует необходимость в дополнительных проводах.
4. Эстетика и стиль. Не забывайте о внешнем виде вашего автомобиля. Выбор места установки светодиодной ленты должен гармонировать с общим стилем автомобиля. Например, если у вас спортивный автомобиль, то яркие и динамичные цвета ленты могут подчеркнуть его характер. В то время как для классического автомобиля лучше подойдут более сдержанные и теплые оттенки.
5. Тестирование перед окончательной установкой. Прежде чем окончательно закрепить светодиодную ленту, рекомендуется провести тестирование. Подключите ленту временно и проверьте, как она выглядит в выбранном месте. Это поможет вам убедиться, что освещение соответствует вашим ожиданиям и не создает неудобств.
Выбор места установки светодиодной ленты — это важный этап, который требует внимательности и продуманности. Уделив этому вопросу достаточно времени, вы сможете добиться не только эстетического удовольствия, но и практической пользы от установленного освещения.
Вопрос-ответ
Как правильно подключить светодиодную ленту в автомобиле?
Для подключения светодиодной ленты в автомобиле необходимо сначала выбрать подходящее место для установки и подготовить ленту, обрезав её до нужной длины. Затем, используя адаптер или контроллер, подключите ленту к источнику питания (обычно 12 В) автомобиля, соблюдая полярность. Рекомендуется использовать предохранитель для защиты от короткого замыкания. Убедитесь, что все соединения надежные и изолированные, чтобы избежать повреждений. После этого можно закрепить ленту на выбранной поверхности с помощью двустороннего скотча или крепежных элементов.
Можно ли ставить светодиодные ленты на авто?
Нет, это незаконно. Синяя светодиодная лента (даже как подсветка) нарушает ПДД и техрегламент, так как синий цвет сигнальных огней разрешён только для спецтранспорта (полиция, скорая и т. д.).
Как нельзя подключать светодиодную ленту?
В инструкциях большинства производителей светодиодных лент присутствует пункт о запрете последовательного соединения отрезков суммарной длиной больше 5 метров.
Советы
СОВЕТ №1
Перед началом установки светодиодной ленты обязательно ознакомьтесь с инструкцией к ней. Убедитесь, что вы понимаете, как правильно подключить ленту к источнику питания и какие дополнительные компоненты могут понадобиться, такие как контроллеры или резисторы.
СОВЕТ №2
При выборе места для установки светодиодной ленты учитывайте, что она должна быть защищена от влаги и механических повреждений. Используйте герметичные соединения и специальные крепления, чтобы обеспечить долговечность и безопасность работы освещения.
СОВЕТ №3
Не забывайте о правильной проводке. Используйте провода с достаточным сечением, чтобы избежать перегрева и потерь напряжения. Также рекомендуется использовать предохранители для защиты электрической цепи от короткого замыкания.
СОВЕТ №4
Если вы планируете подключать светодиодную ленту к бортовой сети автомобиля, убедитесь, что она совместима с напряжением 12 В. Также стоит рассмотреть возможность установки выключателя, чтобы иметь возможность отключать ленту, когда она не нужна.







